首页 > 环保设备产品 > 罐体系列

产品中心
PRODUCT CENTER

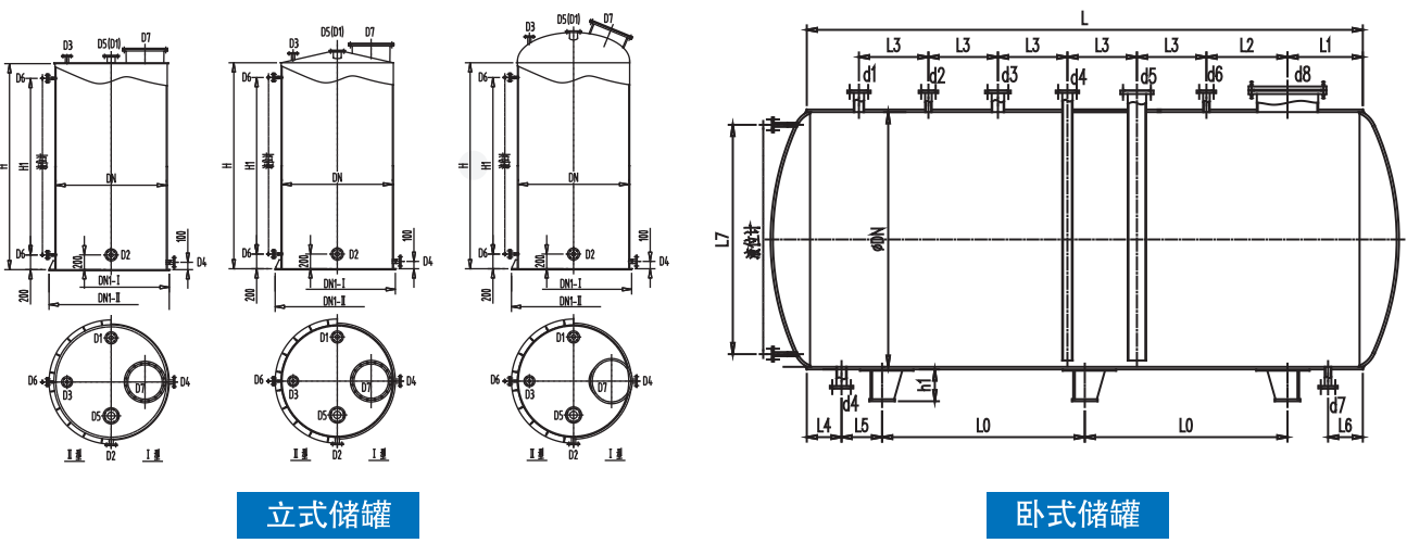
公司引进德国PPH/HDPE单壁及双壁挤出成型缠绕筒体生产线,采用目前世界先进的螺旋缠绕整体成型工艺加工设备,专业制造的HDPE和PPH生产的一体成型筒体适用于污水处理设备、化工容器设备及防腐储存容器,包括立式储存容器、卧式储存容器、计量箱等。筒体直径及长度均可按要求制作。
该设备工作过程,塑料粒子颗粒经升温处理熔融后形成树脂,树脂料通过挤出机加热挤出膏状料带,料带在压辊的作用下挤压在预热的模具上,模具同时旋转及移动,料带在模具上形成螺旋缠绕,设备连续缠绕工作,形 成一体成型筒体,筒体整体无焊缝,整体性强,外观美观。其中单壁容器的容积最大可达到120m³,双壁容器的容积最大可达200m³。单壁及双壁缠绕筒体生产线生产筒体规格直径范围0.5-4m,长度0.5-15m,厚度10-150mm。
◆ PPH/HDPE缠绕储存容器一次成型整体性好,无焊缝,永不渗漏,抗冲击性能强,拉伸强度高,抗氧化、抗老化性能好。可提供符合卫生食品标准的产品。
◆ 由于PPH/HDPE优异的性能和缠绕储存容器特殊的结构,使用寿命长达30年以上。
◆ 耐化学性能非常优异,除少数溶液可以溶胀它外,几乎可以耐大部分物质溶液。
◆ PPH/HDPE缠绕储存容器具有内外防腐的特点,可在高腐蚀环境下正常使用。
◆ PPH/HDPE缠绕储存容器在大规格大容积的产品上有非常大的优势,尽管体积大,但仍然保持一次成型整体性的特点,这是其它储罐工艺所达不到之处。
◆ PPH/HDPE缠绕储存容器的适用范围广,它广泛应用于环保处理行业、新能源化工行业等领域生产中液体物料的贮存、暂存等。