首页 > 环保设备产品 > 闸门系列

产品中心
PRODUCT CENTER

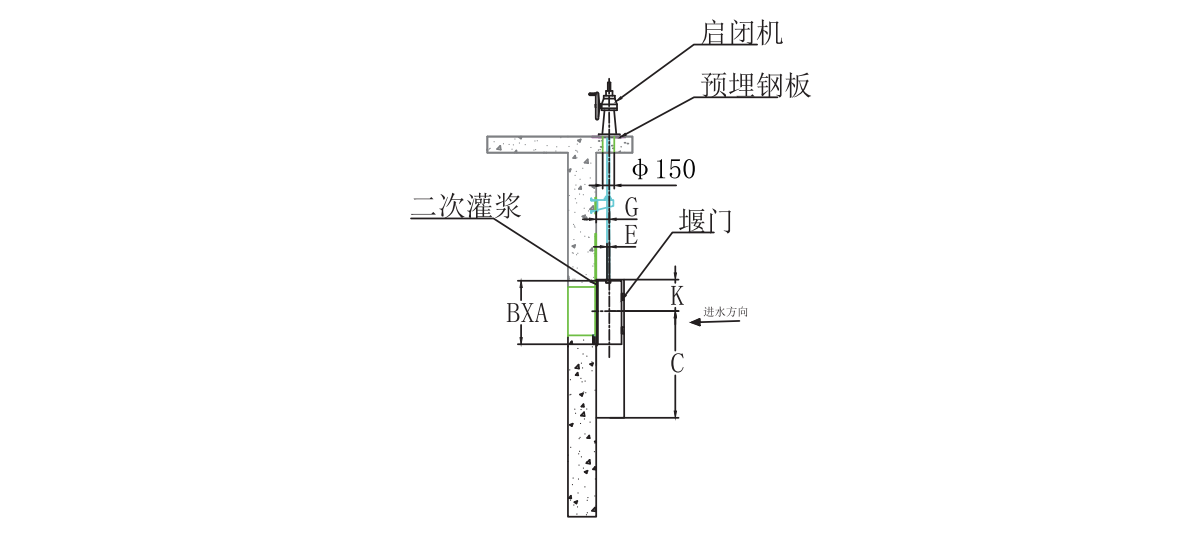
JSTY型升降式调节堰门主要用于灌溉、防汛、水利水电、污水处理厂的水位控制系统中调节水位。
该设备采用明杆式、升降式,平面加筋型、附壁式安装,堰门由启闭机带动启闭螺母转动,在梯形螺纹作用下使丝杆带动堰门门体上下运行,从而达到调节水位的目的的;所以堰门向下为开启,向上为关闭。
◆ 弹性楔紧装置在堰门启闭过程中始终弹紧,确保堰门在任何位置都能达到理想的效果。
◆ 设备结构简单、止水性好、调节范围广的特点。



◆ 订货时,请提供螺旋直径、处理量、输送长度、安装角度等主要参数。
◆ 该设备为304不锈钢材质。
◆ 若需单独配套控制箱,请单独注明。
◆ 若用户有特殊要求,可在订货合同中注明。
◆ 除上述规格外可根据用户实际要求设计制作。
注:由于产品不断创新优化,我司保留样本数据更改的权利。